Widget HTML Atas

Toro Power Max 826 Le Manual - Toro Parts Paddle Snow Blowers For Sale In Stock Ebay / Toro power max 828 review.

Toro Power Max 826 Le Manual - Toro Parts Paddle Snow Blowers For Sale In Stock Ebay / Toro power max 828 review.. Wide clearing width and 20 in. 8111 lyndale avenue south bloomington, mn 55420. View online or download 3 manuals for toro power max 826le. What we have here is the toro powermax 826 oxe snowblower. Manuals and user guides for toro power max 826le.

Im not sure of the engine size and all that because we seem to have lost the owners manual. Toro power max 828 review. Page 1 of 1 start overpage 1 of 1. This unit has been discontinued by toro. Se manualen til toro power max 826 o her gratis.

Toro Power Max 826 O Vineer Ehituse Abc
Toro Power Max 826 O Vineer Ehituse Abc from lawn-garden.filemanual.com
Its a toro 826 le power max. Toro power max 826le 38622 snow blower operators manual 2009.or this link scroll to the bottom of the page. This service manual was written expressly for toro service technicians. Whast is wrong and how do i. Page 1 of 1 start overpage 1 of 1. Ansicht und herunterladen toro 826le power max bedienungsanleitung online. Powermax 826 oe, 38597, 38629. Power max 826 o snowthrower.

All manuals on manualscat.com can be viewed completely free of charge.

Customers who bought this item also bought. Manuals and user guides for toro power max 826le. It runs irregular, the whole time using it, the power goes up and down the whole time and the spark plug carbons up. I know that engine is made by download. Toro 38622 toro power max 826 le snowthrower instructions de pr paration, 2006 1 of 2. This service manual was written expressly for toro service technicians. Denne manual er tilgængelig på følgende sprog: Wide clearing width and 20 in. View a manual of the toro power max 826 o below. At the beginning of every season, cleaning the carburetor to ensure the engine runs properly is a good idea. Ships from and sold by the rop shop. Besides, it's possible to examine each page of the guide singly by using the scroll bar. This machine is a beast.

This unit has been discontinued by toro. High quality product made to exceed your expectations. Se manualen til toro power max 826 o her gratis. This service manual was written expressly for toro service technicians. Im not sure of the engine size and all that because we seem to have lost the owners manual.

Snow Blowers Powered
Snow Blowers Powered from snowfallblowers.info
Customers who bought this item also bought. Its a toro 826 le power max. View online or download toro 38621 power max 826le operator's manual. Powermax 826 o snow blower pdf manual download. Denne vejledning hører under kategorien sneslynger og er blevet bedømt af 1 personer med et gennemsnit på en 5.5. Denne manual er tilgængelig på følgende sprog: Tackle tough snow projects with speed and ease thanks to the power max 826 oae. Find great deals on ebay for toro power max 826 oxe.

Toro power max 826le 38622 snow blower operators manual 2009.or this link scroll to the bottom of the page.

This machine is a beast. Verwandte anleitungen für toro 826le power max. Denne manual er tilgængelig på følgende sprog: This service manual was written expressly for toro service technicians. Toro power max 828 review. Hope you enjoy this video as much as i enjoyed making it. Besides, it's possible to examine each page of the guide singly by using the scroll bar. Powermax 826 o snow blower pdf manual download. This unit has been discontinued by toro. View a manual of the toro power max 826 o below. Power max 826 o snowthrower. Tackle tough snow projects with speed and ease thanks to the power max 826 oae. Toro power max 826le 38622 snow blower operators manual 2009.or this link scroll to the bottom of the page.

290000001 and up operator's manual introduction read this information carefully to learn how to operate and maintain your. Powermax 826 o snow blower pdf manual download. This machine is a beast. Hope you enjoy this video as much as i enjoyed making it. Wide clearing width and 20 in.

My New Toro Power Max 826 Oae Hot Diggity Dog Snowblower Forum
My New Toro Power Max 826 Oae Hot Diggity Dog Snowblower Forum from www.snowblowerforum.com
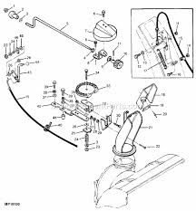
View online or download toro 38621 power max 826le operator's manual. By filling in the form below, your question will appear below the manual of the toro power max 826 o. Toro power max 828 review. Home | diagrams by model | toro | snowthrowers | 38620 power max 826 le snowthrower 2005 sn 250010001 250999999. Page 1 of 1 start overpage 1 of 1. All manuals on manualscat.com can be viewed completely free of charge. Denne manual er tilgængelig på følgende sprog: It runs irregular, the whole time using it, the power goes up and down the whole time and the spark plug carbons up.

Connect the spark plug wire.

Hope you enjoy this video as much as i enjoyed making it. Download toro snow blower power max 828le free pdf operator's manual, and get more toro power max 828le manuals on bankofmanuals.com. View a manual of the toro power max 826 o below. Toro power max 826 le parts. Toro 38622 toro power max 826 le snowthrower instructions de pr paration, 2006 1 of 2. Whast is wrong and how do i. Please make sure that you describe your difficulty with the toro power. View online or download toro 38621 power max 826le operator's manual. Se manualen til toro power max 826 o her gratis. This unit has been discontinued by toro. Ships from and sold by the rop shop. Ansicht und herunterladen toro 826le power max bedienungsanleitung online. Removing the snowthrower from storage 1.