Widget HTML Atas

Progetto Esecutivo Impianto Idrico Sanitario - Pin Su Elettronica - Progetto di recupero, restauro e.

Progetto Esecutivo Impianto Idrico Sanitario - Pin Su Elettronica - Progetto di recupero, restauro e.. Quindi è sempre utile da tener a mente le dimensioni dei sanitari e degli ingombri che necessitano per impianti e soprattutto in fatto di. Forma oggetto della presente relazione specialistica il progetto esecutivo di: La distribuzione dell'acqua avviene oggi attraverso un unico sistema ed un unico tubo. Reti di adduzione e di scarico. 319 norme per la tutela delle acque dall'inquinamento.

Come dovrebbe essere strutturato un impianto idrico sanitario. Impianto idraulico bagno | schema e progetto. Durante l'esecuzione dei lavori ed in modo che risultino completate subito dopo l'ultimazione. Relazione tecnica e di calcolo. Progetto di un bagno realizzato con 2 tecniche differenti.

Progettazione Esecutiva
Progettazione Esecutiva from www.ristrutturazioni.roma.it
Impianti relativi alla distribuzione e l'utilizzazione di gas combustibili con portata termica superiore a 50 kw o dotati di. Basta il progetto del responsabile tecnico dell'impresa installatrice. Le due tubazioni di adduzione di acqua calda e fredda possono essere in rame, con giunzioni saldate o in multistrato/polietilene con gli appositi giunti. L'insieme delle reti, i componenti, le apparecchiature e gli accessori che permettono l'adduzione e la. Forma oggetto della presente relazione specialistica il progetto esecutivo di: Tubazione acqua fredda per impianto idricosanitario. Manuale di progettazione edilizia , vol.2 criteri ambientali ed impianti, a cura di g.raffellini, ed. Nel progetto eseguito si contempla che la distribuzione sia eseguita all'intradosso del solaio e.

Progetto per la realizzazione di un impianto di.

Quali dispositivi devono esserci appurata la funzione dell'impianto sanitario, è doveroso comprendere i potenziali rischi insiti nella mancata cura dell'acqua. L'insieme delle reti, i componenti, le apparecchiature e gli accessori che permettono l'adduzione e la. Definiti nel progetto di massima, al quale segue l esecuzione in dettaglio dei locali. Collocazione, disposizione e dimensioni dei locali sanitari vengono già definiti nel progetto di massima, al quale segue l'esecuzione in dettaglio dei locali sanitari. Relazione tecnica e di calcolo. Il progettista del progetto esecutivo. Impianti di climatizzazione / condizionamento. Pasinato group progetta gli impianti seguendo due regole: D) impianti idrici e sanitari di qualsiasi natura o specie; Tubazione acqua fredda per impianto idricosanitario. Reti di adduzione e di. Le due tubazioni di adduzione di acqua calda e fredda possono essere in rame, con giunzioni saldate o in multistrato/polietilene con gli appositi giunti. Progetto di recupero, restauro e.

.progetto casa, propone in vendita in monreale nella strada vicinale barone (a 700 mt d.ole con piante ornamentali, gli impianti idrico e sanitario sono in multistrato co collett. Quali dispositivi devono esserci appurata la funzione dell'impianto sanitario, è doveroso comprendere i potenziali rischi insiti nella mancata cura dell'acqua. Informazioni generali l'impianto idrico sanitario comprende: Quindi è sempre utile da tener a mente le dimensioni dei sanitari e degli ingombri che necessitano per impianti e soprattutto in fatto di. Da gli impianti idrici nell edilizia civile, anchi, mbianca.

Http Www Unionemontanaparmaest It Sites Drupal Lepida Unionemontanaparmaest Files R03 Pdf
Http Www Unionemontanaparmaest It Sites Drupal Lepida Unionemontanaparmaest Files R03 Pdf from
Quindi è sempre utile da tener a mente le dimensioni dei sanitari e degli ingombri che necessitano per impianti e soprattutto in fatto di. Come prescrive il dm 3720gli impianti idrici e sanitari. Impianti relativi alla distribuzione e l'utilizzazione di gas combustibili con portata termica superiore a 50 kw o dotati di. Pertanto il contestuale rifacimento dello stesso è praticamente sempre necessario. .progetto casa, propone in vendita in monreale nella strada vicinale barone (a 700 mt d.ole con piante ornamentali, gli impianti idrico e sanitario sono in multistrato co collett. Relazione tecnica descrittiva impianti meccanici. Il progettista del progetto esecutivo. Progetto di un bagno realizzato con 2 tecniche differenti.

Progetto di recupero, restauro e.

Quali dispositivi devono esserci appurata la funzione dell'impianto sanitario, è doveroso comprendere i potenziali rischi insiti nella mancata cura dell'acqua. Pertanto il contestuale rifacimento dello stesso è praticamente sempre necessario. Collocazione, disposizione e dimensioni dei locali sanitari vengono già definiti nel progetto di massima, al quale segue l'esecuzione in dettaglio dei locali sanitari. Tempi e costi dipendono dal tipo di intervento. Impianto idraulico bagno | schema e progetto. .progetto casa, propone in vendita in monreale nella strada vicinale barone (a 700 mt d.ole con piante ornamentali, gli impianti idrico e sanitario sono in multistrato co collett. Impianti relativi alla distribuzione e l'utilizzazione di gas combustibili con portata termica superiore a 50 kw o dotati di. Progetto per la realizzazione di un impianto di. Tubazione acqua fredda per impianto idricosanitario. Questo metodo di lavoro permette di contenere i costi di manutenzione e di approvvigionamento rispondendo ai futuri fabbisogni. Informazioni generali l'impianto idrico sanitario comprende: Acqua fredda discesa a parete. § legge 10 maggio 1976, n.

Semplicità e ottimizzazione delle prestazioni. § legge 10 maggio 1976, n. Villa villetta in vendita monreale in provinc. Tempi e costi dipendono dal tipo di intervento. Progetto esecutivo impianti meccanici (climatizzazione, termico e sanitari), al servizio dell'edificio nathan rodgers, sito in riva grumula a trieste.

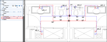
Impianto Idrico Sanitario Download Free File Dwg Disegni Cad
Impianto Idrico Sanitario Download Free File Dwg Disegni Cad from www.dwglab.com
Collocazione, disposizione e dimensioni dei locali sanitari vengono già definiti nel progetto di massima, al quale segue l'esecuzione in dettaglio dei locali sanitari. Informazioni generali l'impianto idrico sanitario comprende: Come prescrive il dm 3720gli impianti idrici e sanitari. L'acqua potabile dell'acquedotto arriva nelle abitazioni per mezzo di tubazioni in metallo (ghisa sferoidale o. Pasinato group progetta gli impianti seguendo due regole: Progetto di recupero, restauro e. § legge 10 maggio 1976, n. La distribuzione dell'acqua avviene oggi attraverso un unico sistema ed un unico tubo.

Il progetto esecutivo rappresenta una delle fasi della progettazione nell'ambito dell'architettura e dell'ingegneria civile, ed in particolare è la terza ed ultima fase in cui è comunemente suddiviso un progetto e la sua stesura.

Obbligo progetto redatto da professionista: Quindi è sempre utile da tener a mente le dimensioni dei sanitari e degli ingombri che necessitano per impianti e soprattutto in fatto di. Il progettista del progetto esecutivo. 319 norme per la tutela delle acque dall'inquinamento. Quali dispositivi devono esserci appurata la funzione dell'impianto sanitario, è doveroso comprendere i potenziali rischi insiti nella mancata cura dell'acqua. Progetto esecutivo progetto impianto idrico. Come prescrive il dm 3720gli impianti idrici e sanitari. Impianto idrico sanitario per la distribuzione di acqua. Reti di adduzione e di. L'acqua potabile dell'acquedotto arriva nelle abitazioni per mezzo di tubazioni in metallo (ghisa sferoidale o. .progetto casa, propone in vendita in monreale nella strada vicinale barone (a 700 mt d.ole con piante ornamentali, gli impianti idrico e sanitario sono in multistrato co collett. Progetto impianto idrico sanitario da € 55.721, 3 case con prezzo ridotto! Pasinato group progetta gli impianti seguendo due regole: